Запчасти, техника

Наш сайт не является публичной офертой, определяемой положениями Статьи 437 (2) ГК РФ., а носит исключительно информационный характер. Для получения точной информации о наличии и стоимости товара, пожалуйста, обращайтесь по нашим телефонам. В случае копирования, использования любого материала находящегося на сайте подшипники.рф, активная ссылка обязательна, в случае печати – печатная ссылка. Копирование структуры сайта, идей или элементов дизайна сайта строго запрещено. Права на все торговые марки, изображения и материалы, представленные на сайте, принадлежат их владельцам.

Статьи

Увеличить

Увеличить

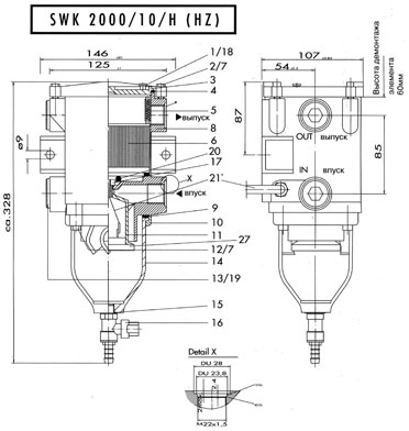
Поз.

SWK2000/5/50H

SWK 2000/10H

Кол-во

Наименование

1

30408

30408

1

Болт разгерметизации

2

30430

30567

4

Болт крышки

3

30542

30553

1

Крышка

4

30545

30556

1

Прокладка крышки

5

30296

30297

1

Пружинный блок

6

00530/50H

01030H

1

Фильтрующий элемент

7

30447

30448

8

Шайба

8

10175

10130

1

Корпус

9

30565

30576

1

Сальник отстойника

10

30564

30569

1

Фланец отстойника

11

10141

10142

1

Циклон

12

30561

30568

4

Болт отстойника

13

30471

30226

2

Заглушка

14

30984

30985

1

Отстойник

15

40002

40002

1

Сальник

16

30366

30366

1

Спускной кран

17

10112

10112

1

Пустой болт

18

30558

30558

1

Сальник дл поз 1

19

30472

40003

2

Сальник для поз 13

20

10101

10101

1

Плата с терм. И пред.

21

10103

10103

1

Эл. Провода нагревателя

22

10105

10105

1

Стопорный винт

23

30053-1

30053-1

1

Поворотный тумблер

24

30054-1

30054-1

1

Реле 24в

25

30055

30055

1

Предохранитель 20а

26

30087

30087

9

Плоск. Электроразьем

27

10123

10118

1

Нагреватель 24в/350вт

www.separ2000.com



перейти в раздел Статьи

последние Статьи
 

Запасные части (запчасти) к сельхозтехнике, к сеялкам, плугам, тракторам, комбайнам, культиваторам, шнекам, разбрасывателям, прицепам, картофельной технике, опрыскивателям, фронтальным погрузчика, пресс-подборщикам, ворошилкам, дисковым боронам, глубокорыхлителям, телескопическим погрузчикам, свеклопогрузчикам, ботвоудалителям, жаткам, кормораздатчикам, кормосмесителям, аксессуары, масла, фильтры, прицепам, плющилкам, мельницам, косилкам:

Amity Wic — Амити Вик запчасти (запасные части), селькохозяйственная техника|Krone — Кроне запчасти (запасные части), сельскохозяйственная техника|Deutz Fahr — Дойц Фар запчасти (запасные части), сельскохозяйственная техника|LEMKEN — Лемкен запчасти (запасные части), сельскохозяйственная техника|Caterpillar Chalanger — Катерпиллар Челенджер запчасти (запасные части), сельскохозяйственная техника|KVERNELAND — Квернеланд запчасти (запасные части), сельскохозяйственная техника|Claas — Клаас запчасти (запасные части), сельскохозяйственная техника техника|KUHN — Кун запчасти (запасные части) , сельскохозяйственная техника|Vogel & Noot — Фогель унд Нут (Фогель Нот) запчасти (запасные части), сельскохозяйственная техника|IMAK — ИМАК запчасти(запасные части) , сельскохозяйственная техника|Manitou — Маниту запчасти (запасные части) , сельскохозяйственная техника|JCB — Джей Си Би запчасти (запасные части) , сельскохозяйственная техника|Ropa — Ропа запчасти (запасные части), сельскохозяйственная техника|JF-STOLL — Штолль запчасти (запасные части), сельскохозяйственная техника|Rauch — Раух запчасти (запасные части), сельскохозяйственная техника|Holmer — Холмер запчасти (запасные части), сельскохозяйственная техника|Monosem — Моносем запчасти (запасные части), сельскохозяйственная техника|HAWE Wester — ХАВЕ ВЕСТЕР запчасти (запасные части), сельскохозяйственная техника|Matrot — Матро запчасти (запасные части), сельскохозяйственная техника|Gregoire Besson — Грегуар Бессон запчасти (запасные части), сельскохозяйственная техника|Accord — Аккорд запчасти (запасные части), сельскохозяйственная техника|GRIMME — Гримме запчасти (запасные части), сельскохозяйственная техника|Mascar – Маскар запчасти (запасные части), сельскохозяйственная техника|Franz Kleine — Франц Кляйне запчасти (запасные части), сельскохозяйственная техника|Separ 2000 – Сепар 2000 фильтр сепаратор для очистки топлива|Fliegl — Флигль запчасти (запасные части), сельскохозяйтвенная техника|Murska — Мурска запчасти (запасные части), сельскохозяйсвтенная техника|CanAgro — КанАгро запчасти (запасные части),селькохозяйственная техника|Massey Ferguson – Массей Фергусон запасные части (запчасти) – сельскохозяйственная техника|Fendt – Фендт запасные части (запчасти) – сельскохозяйственная техника|Vaderstad – Вадерштад запасные части (запчасти) – сельскохозяйственная техника|Kinze – Кинзе запасные части (запчасти) – сельскохозяйственная техника|Asa Lift - Аза Лифт запасные части (запчасти) – сельскохозяйственная техника|Irriland - Иррилэнд запасные части (запчасти) – сельскохозяйственная техника|Dewulf -Девульф запасные части (запчасти) – сельскохозяйственная техника|Hatzenbichler -Хатценбихлер запасные части (запчасти) – сельскохозяйственная техника|Marani - Марани запасные части (запчасти) – сельскохозяйственная техника|Amac - Амак запасные части (запчасти) – сельскохозяйственная техника|Schmotzer - Шмотцер запасные части (запчасти) – сельскохозяйственная техника|AVR - АВР запасные части (запчасти) – сельскохозяйственная техника|Walterscheid - Вальтершайд запасные части (запчасти) – сельскохозяйственная техника|Irtec - Иртек запасные части (запчасти) – сельскохозяйственная техника|RM -РМ запасные части (запчасти) – сельскохозяйственная техника|Bauer - Бауэр запасные части (запчасти) – сельскохозяйственная техника|RKD - РКД запасные части (запчасти) – сельскохозяйственная техника|MTZ - МТЗ запасные части (запчасти) – сельскохозяйственная техника|Merlo – Мерло запасные части (запчасти) – сельскохозяйственная техника|Tecnoma – Текнома запасные части (запчасти) – сельскохозяйственная техника|Buhler – Бюлер запасные части (запчасти) – сельскохозяйственная техника|Ferbo – Фербо запасные части (запчасти) – сельскохозяйственная техника|Valtra – Вальтра запасные части (запчасти) – сельскохозяйственная техника Валтра|Pottinger (Poettinger) – Петтингер запасные части (запчасти) – сельскохозяйственная техника|Horsch - Хорш запасные части (запчасти) – сельскохозяйственная техника|Morris - Моррис запасные части (запчасти) – сельскохозяйственная техника|Bourgault – Борго запасные части (запчасти) – сельскохозяйственная техника|Great Plains – Грейт Плэйнс запасные части (запчасти) – сельскохозяйственная техника|Hagie - Хаги запасные части (запчасти) – сельскохозяйственная техника|Hardie – Харди запасные части (запчасти) – сельскохозяйственная техника|Vicon – Викон запасные части (запчасти) – сельскохозяйственная техника|Checchi & Magli – ЧЕЧЧИ МАГЛИ запасные части (запчасти) – сельскохозяйственная техника|Bondioli & Pavesi - Бондиоли Павеси запасные части (запчасти) – сельскохозяйственная техника|SULKY – Сулки (Сюлки) запасные части (запчасти) – сельскохозяйственная техника|CHALLENGER – Челленджер запасные части (запчасти) – сельскохозяйственная техника|Flexi-Coil – Флекси Коил запасные части (запчасти) – сельскохозяйственная техника|Matermacc - Матермак запасные части (запчасти) – сельскохозяйственная техника|Beinlich - Байнлих запасные части (запчасти) – сельскохозяйственная техника|Ocmis - Окмис запасные части (запчасти) – сельскохозяйственная техника|2IE - 2ИЕ запасные части (запчасти) – сельскохозяйственная техника|Irrifrance – Иррифранц запасные части (запчасти) – сельскохозяйственная техника|Dammann - Дамманн запасные части (запчасти) – сельскохозяйственная техника|Agricola Italiana - Агрикола Итальяна запасные части (запчасти) – сельскохозяйственная техника|Stanhay - Станхей запасные части (запчасти) – сельскохозяйственная техника|Unia - Уния запасные части (запчасти) – сельскохозяйственная техника|Pilmet - Пилмет запасные части (запчасти) – сельскохозяйственная техника|Sampo Rosenlew - Сампо Розенлев запасные части (запчасти) – сельскохозяйственная техника|RedBall-Редбалл запасные части (запчасти) – сельскохозяйственная техника|Jacto - Жакто запасные части (запчасти) – сельскохозяйственная техника|Samon - Самон запасные части (запчасти) – сельскохозяйственная техника|Eibock – Einboeck - Айнбек запасные части (запчасти) – сельскохозяйственная техника|Lindsay - Линдсей запасные части (запчасти) – сельскохозяйственная техника|Petkus - Петкус запасные части (запчасти) – сельскохозяйственная техника|Riela - Рила запасные части (запчасти) – сельскохозяйственная техника|Simon - Симон запасные части (запчасти) – сельскохозяйственная техника|Sipma - Сипма запасные части (запчасти) – сельскохозяйственная техника|Ag Bag - Аг Баг запасные части (запчасти) – сельскохозяйственная техника|Laverda - Лаверда запасные части (запчасти) – сельскохозяйственная техника|Koeckerling - Кекерлинг запасные части (запчасти) – сельскохозяйственная техника|Fantini - Фантини запасные части (запчасти) – сельскохозяйственная техника|Geringhoff - Герингхофф запасные части (запчасти) – сельскохозяйственная техника|Miedema - Мидема запасные части (запчасти) – сельскохозяйственная техника|Hassia - Хассия запасные части (запчасти) – сельскохозяйственная техника|Macdon - Макдон запасные части (запчасти) – сельскохозяйственная техника|Trimble - Тримбл запасные части (запчасти) – сельскохозяйственная техника|Reinke – Райнке запасные части (запчасти) – сельскохозяйственная техника|Cramer – Крамер запасные части (запчасти) – сельскохозяйственная техника|Valley Valmont - Валлей Валмонт запасные части (запчасти) – сельскохозяйственная техника|BVL v mix — БВЛ в микс запасные части (запчасти) сельскохозяйственная техника|AGRIFAC — Агрифак запасные части (запчасти) сельскохозяйственная техника|Agrisem — Агризем Агрисем запасные части (запчасти) сельскохозяйственная техника|Sfoggia – Сфоджия – запасные части (запчасти) сельскохозяйственная техника|BERGMANN - Бергманн запасные части (запчасти) сельскохозяйственная техника|PRONAR - Пронар запасные части (запчасти) сельскохозяйственная техника|Bogballe - Богбалле запасные части (запчасти) сельскохозяйственная техника|SUNFLOWER – Санфлавер запасные части (запчасти) сельскохозяйственная техника|Capello - Капелло запасные части (запчасти) сельскохозяйственная техника|Bredal - Бредал запасные части (запчасти) сельскохозяйственная техника|Запчасти – запасные части к плугам|Запчасти (запасные части) к опрыскивателям, навесным, прицепным, самоходным опрыскивателям|Запасные части (запчасти) Инума Inuma – сельскохозяйственная техника|Запасные части (запчасти) Гризли Grizzly – сельскохозяйственная техника, дисковая тяжелая борона|Запасные части (запчасти) для дисковых борон, дискаторов|Запасные части (запчасти) для культиваторов|Запасные части (запчасти) Quivogne – КИВОНЬ Prosem Sola Прозем Сола сельхозтехника|Запасные части (запчасти) для Тракторов|Запасные части (запчасти) для Комбайнов зерноуборочных|Запасные части (запчасти) для Комбайнов свеклоуборочных|Запасные части (запчасти) для Прицепов|Запасные части для картофельной техники|Crucianelli Кручанелли запасные части сельхозтехника, сеялки|Maschio Gaspardo - запчасти

Быстрая доставка запасных частей (запчастей), аксессуаров, оригинальные запасные части (запчасти) и производства сторонних заводов. Быстрая доставка запасных частей – своевременное получение запчастей – гарантированный успех производства!

Каталог товаров

Морковоуборочный комбайн - комбайн для уборки моркови. Технология возделывания моркови. Овощная сеялка для моркови. Техника для уборки моркови.


www.kartoffeltechnik.ru
Картофельная техника, катрофеле-сажалки, комбайны картофелеуборочные.


www.aquaspray.ru
Оросительные системы катушечного типа Ocmis - Окмис Круговой, линейный, фронтальный, ипподромный полив RKD – РКД Капельный полив Netafim – Нетафим.


www.chesnok.info
Чеснок, технологии выращивания чеснока, уборка чеснока.

www.agromonitoring.ru
Системы параллельного вождения, курсоуказатели, точное вождение, технологии точного земледелия.

www.separ2000.com
SEPAR 2000 Сепар — единственные в мире на сегодня топливные фильтры со 100%-ным по DIN ISO 4020 водоотделением и 96%-ным грязеотделением.


www.pumpkin.su
Технологии возделывания тыквы – тыквоуборочные комбайны, мойка семян тыквы, сушка

Доставка сельхозтехники и запасных частей, оросительных систем, насосов во все города России (быстрой почтой и транспортными компаниями), так же через дилерскую сеть: Москва, Владимир, Санкт-Петербург, Саранск, Калуга, Белгород, Брянск, Орел, Курск, Тамбов, Новосибирск, Челябинск, Томск, Омск, Екатеринбург, Ростов-на-Дону, Нижний Новгород, Уфа, Казань, Самара, Пермь, Хабаровск, Волгоград, Иркутск, Красноярск, Новокузнецк, Липецк, Башкирия, Ставрополь, Воронеж, Тюмень, Саратов, Уфа, Татарстан, Оренбург, Краснодар, Кемерово, Тольятти, Рязань, Ижевск, Пенза, Ульяновск, Набережные Челны, Ярославль, Астрахань, Барнаул, Владивосток, Грозный (Чечня), Тула, Крым, Севастополь, Симферополь, в страны СНГ:Киргизия, Казахстан, Узбекистан, Киргизстан, Туркменистан, Ташкент, Азербайджан, Таджикистан.

Во исполнение требований Федерального закона «О персональных данных» № 152-ФЗ от 27.07.2006 г. Все персональные данные, полученные на этом сайте, не хранятся, не передаются третьим лицам, и используются только для отправки товара и исполнения заявки, полученной от покупателя. Все, лица, заполнившие форму заявки, подтверждают свое согласие на использование таких персональных данных, как имя, и телефон, указанные ими в форме заявки, для обработки и отправки заказа.
Хранение персональных данных не производится.